

- Possession Start DateOct'17
- StatusCompleted
- Total Launched apartments30
- Launch DateFeb'15
- AvailabilityNew and Resale
More about MYS Highland
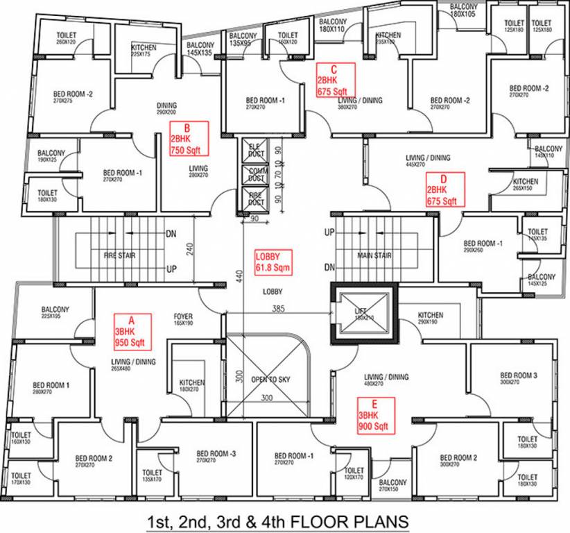
A premium housing project launched by MYS Builders, Highland in Kakkanad, Kochi is offering Apartment starting at Rs 20.25 lacs. It offers 2, 3 BHK Apartment in Kochi Central. The project is Under Construction project and possession in Jun 17. Among the many luxurious amenities that the project boasts are Lift Available, 24 X 7 Security, Roof Top Party Area, Power Backup, Recreation Area etc. The Apartment are available from 675 sqft to 950 sqft at an attractive price points starting at @Rs 3,00...View more
Project Specifications
- 2 BHK
- 3 BHK
- Children's play area
- 24 X 7 Security
- Car Parking
- Power Backup
- Recreation Facilities
- 24X7 Water Supply
- Fire Fighting System
- Open Well
- Jogging Track
- Lift Available
- High Speed Elevators
- Water Supply
- Water Storage
MYS Highland Gallery
About MYS Builders

- Years of experience33
- Total Projects7
- Ongoing Projects0



















